Seite 8 von 9
#106 Re: Arduino im Modellbau
Verfasst: 30.04.2015 20:28:41
von Crizz
Vernünftige BEC kosten ja nicht die Welt. Unser µBEC mit 1 MHz Schaltwandler packt 3,5 A Dauerstrom und ist kaum größer als ne Briefmarke. Und die Ausgangsspannung kann - wenn ein taugliches DMM vorhanden ist - zwischen 2 und 15 V eingestellt werden. Und selbst bei 3,5 A Strom an 5 V Out bei 6s Speisung kommt das kleine Ding nicht wirklich ins schwitzen. Ist ja vielleicht ne Option die man überlegen kann. Selbst wenn man nen LM317 nimmt und ihn ordnungsgemäß beschaltet kommt man mit 5.- kaum hin.
#107 Re: Arduino im Modellbau
Verfasst: 30.04.2015 21:24:47
von Husi
Crizz hat geschrieben:Unser µBEC mit 1 MHz Schaltwandler packt 3,5 A Dauerstrom und ist kaum größer als ne Briefmarke.
Hättest du das nicht sagen können, bevor du mir die Sensoren in die Post gesteckt hast? Schade...
Jetzt weiß ich es,
Mirko
#108 Re: Arduino im Modellbau
Verfasst: 30.04.2015 22:49:32
von Crizz
Du hast ja nur nach Sensoren gefragt... ich hätte auch 64x128 Grafikdisplays (1“ monochrom)
#109 Re: Arduino im Modellbau
Verfasst: 01.05.2015 14:15:16
von helifan10
Hallo,
super Tipp mit dem BEC. Werde mir eins ordern müssen und in die Schaltung integrieren.
Ok, der Festspannungsregler ist somit raus.
Danke noch mal. Habt mir sehr geholfen.
#110 Re: Arduino im Modellbau
Verfasst: 09.05.2015 16:49:56
von helifan10
Hallo,
muss mich bei Euch noch mal bedanken für die ganzen Tips bis jetzt.
Habe mir ein Micro SBEC besorgt und die Schaltung noch mal leicht angepasst.
Die Optokoppler habe ich jetzt durch Print Relais ersetzt.
Habe mir dann die Schaltung so zusammengelötet, das diese direkt auf das Arduino gesteckt werden kann.
Leider ist beim Arduino eine Buchsenleiste leicht versetzt. Das Lochraster 2,54 passt nicht für alle Stifte.
Musste halt etwas angepasst werden.
Habe heute mal ein Testprogramm drüberlaufen lassen und es Funzt alles 1A.
Kann jetzt mit drei Eingängen auf drei Servoausgänge, drei Relaisausgänge und sieben LED Abgänge mit max. 1A zugreifen.
Genau das, was ich für meinen nächsten Scaler benötige.
Hier mal ein Bild von meinem Aufbau. Sieht etwas wild aus

- IMG_1272.JPG (2.53 MiB) 2683 mal betrachtet
Und hier dann mit Deckel und Beschriftungen

- IMG_1274.JPG (405.23 KiB) 2682 mal betrachtet
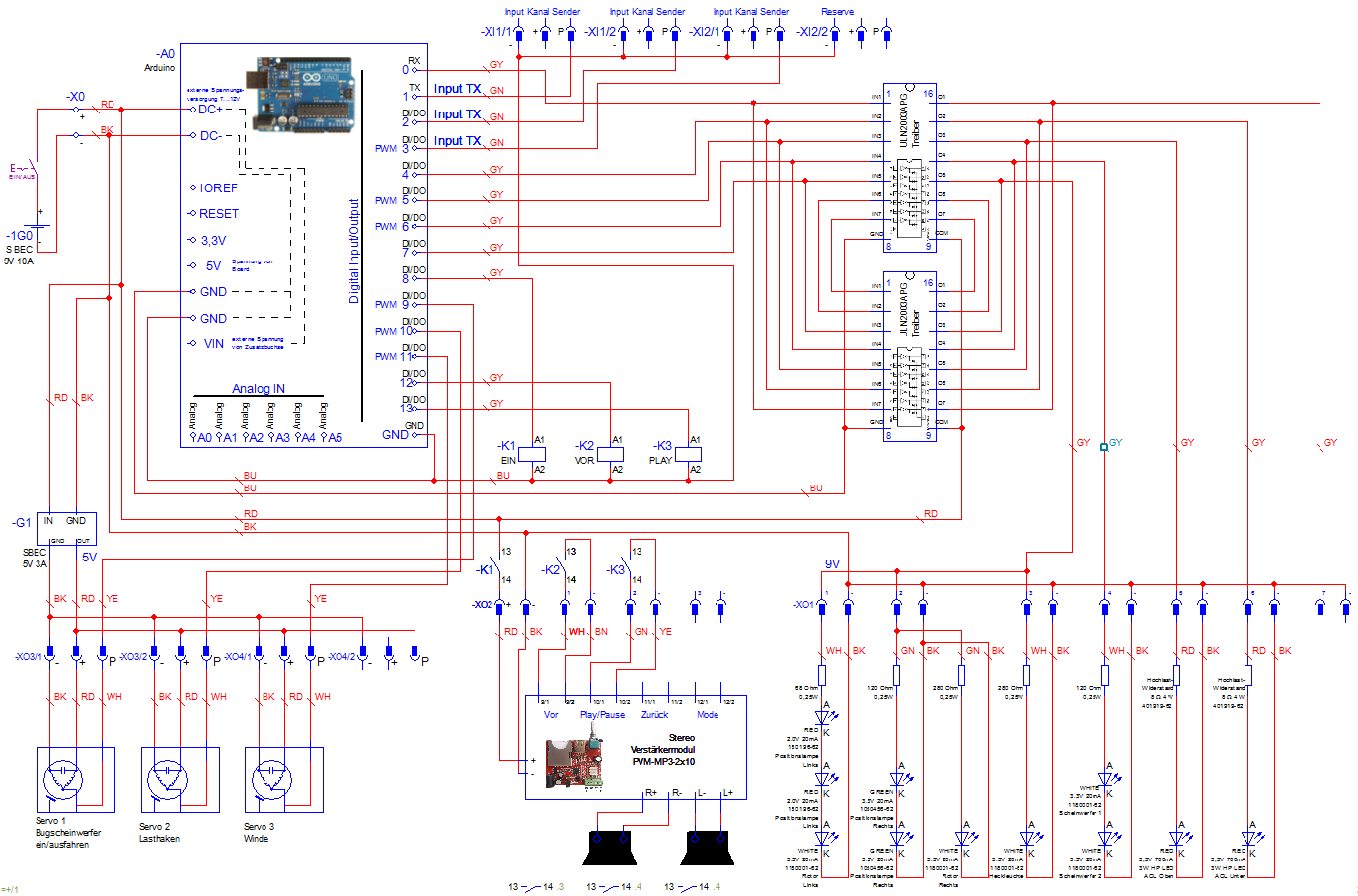
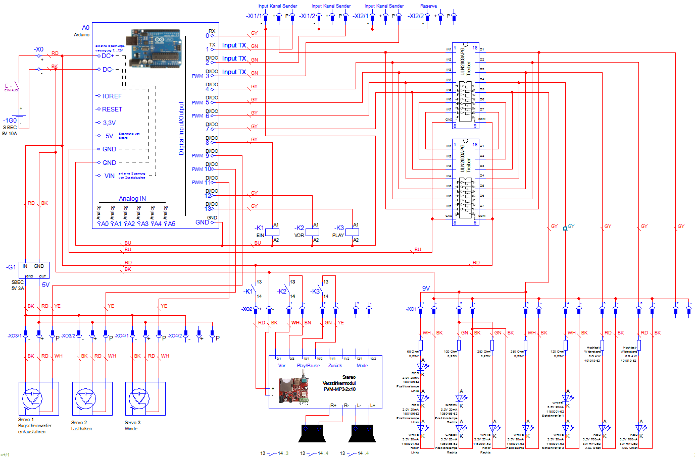
Ein Fehler ist auf der Zeichnung noch drauf. Der Treiberbaustein schaltet GND durch. An den Abgängen der LEDs muss
also Vin anliegen und nicht GND.
Sollte es jemanden interessieren, hier noch einmal meine Schaltung in der Übersicht.

- Schaltung.png (129.1 KiB) 2684 mal betrachtet
Gruß Volle
#111 Re: Arduino im Modellbau
Verfasst: 09.05.2015 22:26:11
von the-fallen
Das sieht echt sehr gut aus, saubere Arbeit. Auch die Europlatine...das sieht echt nicht nur so dahingeklatscht aus. Man sieht, dass da viele Gedanken hineingeflossen sind.
Vielleicht (ist kein muss) möchtest du deine Arbeit ja hier "Open Source" machen, so dass Andere das auch benutzen können oder verbessern könnten.
#112 Re: Arduino im Modellbau
Verfasst: 09.05.2015 23:00:20
von Crizz
naja, das ist schon ne wilde Verdrahtung - das kann nicht jeder. Auch wenn 2.54mm für einen geübten Hobbyelektroniker kein Thema sind, ein weniger erfahrener tut sich da schon schwer die Leitungen wirklich nur da zu kontaktieren, wo sie hingehören. Ich weiß ja aus leidlicher Erfahrung, wie nervenaufreibend sowas sein kann (gerade auf Lochraster - ich tu mich mit Streifenraster leichter) - deshalb auch Respekt zu der Arbeit, wirklich sauber gelungen.

#113 Re: Arduino im Modellbau
Verfasst: 10.05.2015 19:50:14
von echo.zulu
Da bin ich ja mal gespannt wie das Projekt ausschaut. Noch ne Frage zu den Relais. Sind da die notwendigen Freilaufdioden schon mit verbaut?
#114 Re: Arduino im Modellbau
Verfasst: 11.05.2015 07:29:25
von helifan10
Hallo,
ja sind Printrelais mit eingebauten Freilaufdioden.
Wenn ich mal wieder zum proggen komme, werde ich natürlich berichten.
Der entsprechende Rumpf steht nun auch bei mir. Wird aber vermutlich ein Langzeitprojekt.
Gruß Volle
#115 Re: Arduino im Modellbau
Verfasst: 11.05.2015 07:31:35
von helifan10
Hier noch der genaue Typ
SIL051-A7271D SIL-Reed-Relais 5V= 1xEIN 500 Ohm mit Diode parallel MEDER SIA05D
#116 Re: Arduino im Modellbau
Verfasst: 11.05.2015 07:56:11
von helifan10
Ich noch mal,
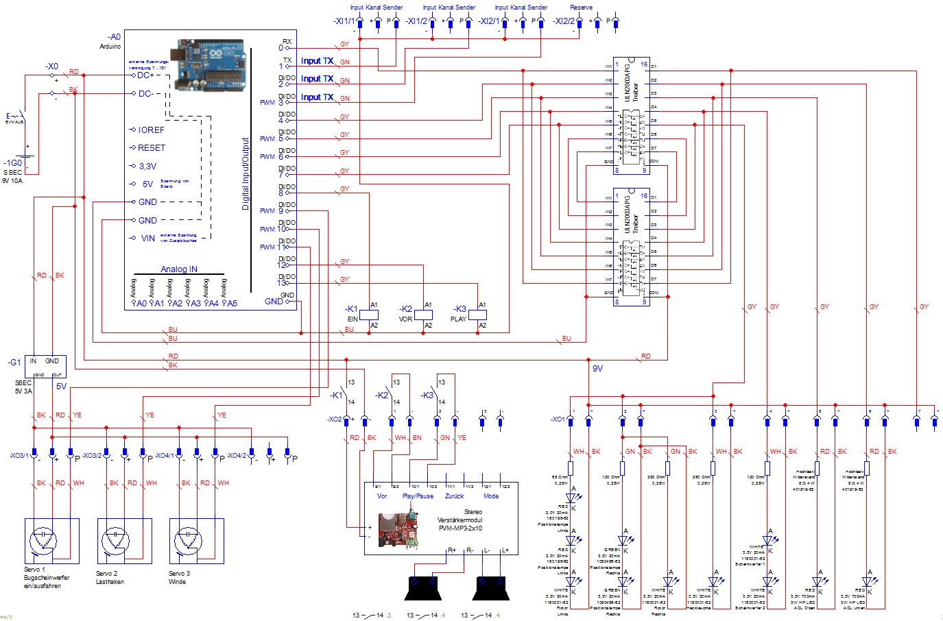
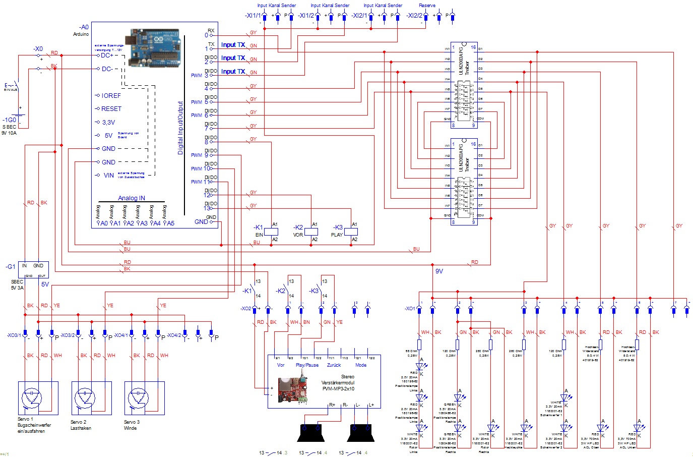
und hier noch einmal die finale Version ohne Fehler

- Schaltung.jpg (338 KiB) 2646 mal betrachtet
#117 Re: Arduino im Modellbau
Verfasst: 11.05.2015 08:12:23
von Husi
helifan10 hat geschrieben:
Wenn ich mal wieder zum proggen komme, werde ich natürlich berichten.
Das wird von mir mit Spannung erwartet.

Nutzt du eine fertige Biliothek um die Empfängerkanäle einzulesen, oder ist das etwas eigenes? Wie viele Empfängerkanäle könntest du einlesen und verarbeiten, bis der Prozessor ins “ruckeln“ kommt?
Viele Grüße
Mirko
#118 Re: Arduino im Modellbau
Verfasst: 11.05.2015 09:10:16
von helifan10
Hallo,
also geplant sind mal drei Eingänge. Ich möchte eigentlich die Standardbibliothek nutzen.
Habe ich aber noch nicht probiert, weil mir aktuell ein übriger Empfänger fehlt.
Ich gehe aber mal davon aus, das die Verarbeitung von drei Signalen kein Problem sein sollte.
Mir fehlen hier aber die Erfahrungen dazu. Ist mein erstes Board.
Gruß Volle
#119 Re: Arduino im Modellbau
Verfasst: 11.05.2015 15:55:46
von lienair
Hallo
Mein Respekt zu deinem Projekt und der Umsetzung.
Nur der Vollständigkeit halber: Mir ist aufgefallen, dass die LEDs im Schema verkehrt rum sind.
Gruss Lienair
#120 Re: Arduino im Modellbau
Verfasst: 11.05.2015 16:01:13
von Crizz
yep, mit Kathode auf Plus wird da nicht wirklich viel passieren
