Hallo,
ich suche für einen Versuch bzw. Eigenbau (wenn es soweit wäre, würde ich einen Baubericht machen) defekte Chassis-Seitenplatten eines T-Rex 450.
Ich brauche sie nur, damit ich eine Schablone für die Servopositionen habe, da ich 450er Rotorköpfe verbauen werde. Die Platten können ruhig kaputt sein, bevor ihr sie wegwerft, hätte ich Interesse daran.
Vielen Dank
Maik
Suche defekte Chassis-Seitenplatten T-Rex 450
Forumsregeln
Achtet bitte drauf, dass wir nun einen neuen Basar haben:
http://www.rc-heli-fan.org/viewtopic.php?f=1&t=85848
Achtet bitte drauf, dass wir nun einen neuen Basar haben:
http://www.rc-heli-fan.org/viewtopic.php?f=1&t=85848
#1 Suche defekte Chassis-Seitenplatten T-Rex 450
Verbrennerheli auf Türkisch: Dröner Hebab
*mehr Mühe beim Tippen geben muss* © by Bastiuscha
"Schonmal im Porsche von einer Biertheke überholt worden? Dann war es wohl ein 190 2.5-16 Evo II"
Mini Titan E325SE Helifleet.com
Raptor E600 KM-SE Helifleet.com
*mehr Mühe beim Tippen geben muss* © by Bastiuscha
"Schonmal im Porsche von einer Biertheke überholt worden? Dann war es wohl ein 190 2.5-16 Evo II"
Mini Titan E325SE Helifleet.com
Raptor E600 KM-SE Helifleet.com
#2 Re: Suche defekte Chassis-Seitenplatten T-Rex 450
Was brauchst du denn für Maße?
hätte es auch noch in DXF oder DWG
...das mein Anhänge nicht angezeigt werden nervt
...das mein Anhänge nicht angezeigt werden nervt
DIY statt RTF
...um gottes Willen nichts nehmen was auf Anhieb funktioniert...
...um gottes Willen nichts nehmen was auf Anhieb funktioniert...
#3 Re: Suche defekte Chassis-Seitenplatten T-Rex 450
Hallo Basti,
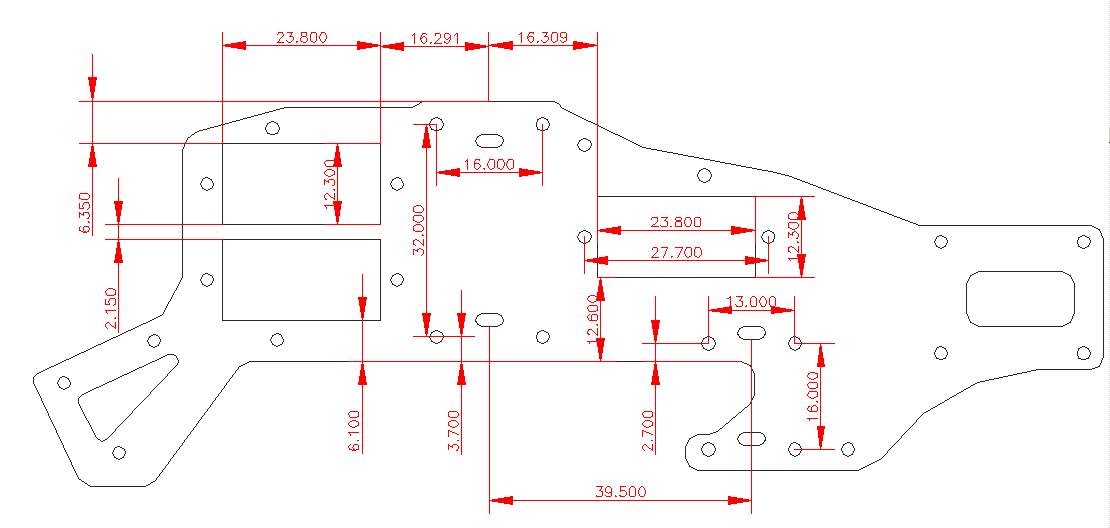
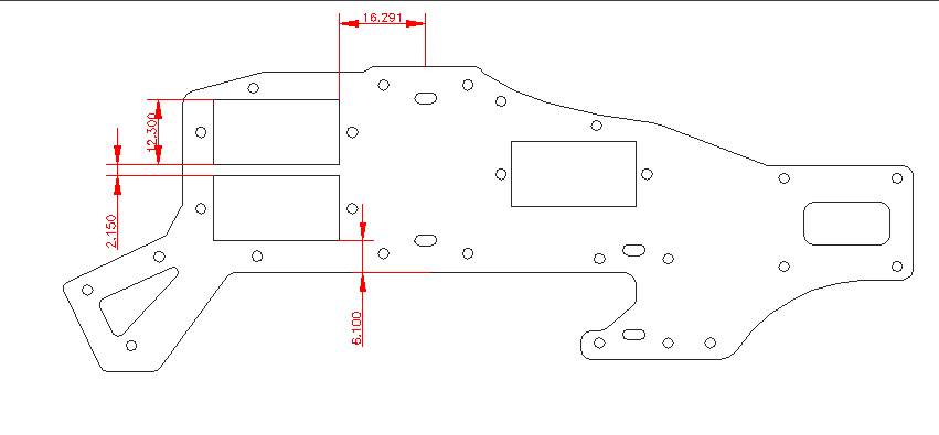
vielen Dank für deine Hilfe, das sieht schonmal gut aus. Ich habe mir mal erlaubt, die fehlenden Maße einzutragen
Weiß du eventuell noch den Durchmesser der 600er rex TT-Welle? Die vom 500er hat 6mm und die dürfte zu dünn sein, um darüber den Hauptantrieb bzw. den 2. Rotor anzutreiben.
Maik
vielen Dank für deine Hilfe, das sieht schonmal gut aus. Ich habe mir mal erlaubt, die fehlenden Maße einzutragen
Weiß du eventuell noch den Durchmesser der 600er rex TT-Welle? Die vom 500er hat 6mm und die dürfte zu dünn sein, um darüber den Hauptantrieb bzw. den 2. Rotor anzutreiben.
Maik
- Dateianhänge
-
- fehlende Maße.jpg (27.72 KiB) 137 mal betrachtet
Verbrennerheli auf Türkisch: Dröner Hebab
*mehr Mühe beim Tippen geben muss* © by Bastiuscha
"Schonmal im Porsche von einer Biertheke überholt worden? Dann war es wohl ein 190 2.5-16 Evo II"
Mini Titan E325SE Helifleet.com
Raptor E600 KM-SE Helifleet.com
*mehr Mühe beim Tippen geben muss* © by Bastiuscha
"Schonmal im Porsche von einer Biertheke überholt worden? Dann war es wohl ein 190 2.5-16 Evo II"
Mini Titan E325SE Helifleet.com
Raptor E600 KM-SE Helifleet.com
#4 Re: Suche defekte Chassis-Seitenplatten T-Rex 450
wo ich gerade bei war hab ich noch ein paar Maße mehr raufgemalt, kann ja nicht schaden 
zweiter Rotor ? was hasst du vor?
zweiter Rotor ? was hasst du vor?
- Dateianhänge
-
- Rex Seitenteil oben.jpg (44.46 KiB) 137 mal betrachtet
DIY statt RTF
...um gottes Willen nichts nehmen was auf Anhieb funktioniert...
...um gottes Willen nichts nehmen was auf Anhieb funktioniert...
#5 Re: Suche defekte Chassis-Seitenplatten T-Rex 450
Danke Basti
Rumpf und Elektronik nehme ich von dort, Chassis wird aber ein Eigenbau (1,5 und 2mm GfK), da mir das Chassis dort nicht so gefällt.. Wird aber ein Laaaaaangzeitprojekt (ich rechne mit einer Bauzeit von 1,5 Jahren (da ich das Chassis erst am Rechner entwerfen muss und mit einigen Schwierigkeiten rechne), Uni geht vor). Als Welle, die nach hinten geht, nehme ich die 600er TT-Welle (gekürzt, mit den TT-Kegelrädern), Motor wird eventuell ein 10er Scorpion, da ich da keine Hammerdrehzahl brauche, die vordere Hauptrotorwelle wird vielleicht eine 500er HRW (ich weiß noch nicht, wie lang sie ist, versuche sie auf 5mm abzudrehen bzw. lasse es abdrehen). Rotorköpfe nehme ich erstmal vom 450er Rex oder CopterX, aber soweit ist es noch lange nicht, bin erst bei der hinteren rechten Seitenplatte und brauchte daher die Maße, die wie Servos im Rex liegen
http://www.techmodelproducts.com/twinn_rexx.htmBasti 205 hat geschrieben:zweiter Rotor ? was hasst du vor?
Rumpf und Elektronik nehme ich von dort, Chassis wird aber ein Eigenbau (1,5 und 2mm GfK), da mir das Chassis dort nicht so gefällt.. Wird aber ein Laaaaaangzeitprojekt (ich rechne mit einer Bauzeit von 1,5 Jahren (da ich das Chassis erst am Rechner entwerfen muss und mit einigen Schwierigkeiten rechne), Uni geht vor). Als Welle, die nach hinten geht, nehme ich die 600er TT-Welle (gekürzt, mit den TT-Kegelrädern), Motor wird eventuell ein 10er Scorpion, da ich da keine Hammerdrehzahl brauche, die vordere Hauptrotorwelle wird vielleicht eine 500er HRW (ich weiß noch nicht, wie lang sie ist, versuche sie auf 5mm abzudrehen bzw. lasse es abdrehen). Rotorköpfe nehme ich erstmal vom 450er Rex oder CopterX, aber soweit ist es noch lange nicht, bin erst bei der hinteren rechten Seitenplatte und brauchte daher die Maße, die wie Servos im Rex liegen
Verbrennerheli auf Türkisch: Dröner Hebab
*mehr Mühe beim Tippen geben muss* © by Bastiuscha
"Schonmal im Porsche von einer Biertheke überholt worden? Dann war es wohl ein 190 2.5-16 Evo II"
Mini Titan E325SE Helifleet.com
Raptor E600 KM-SE Helifleet.com
*mehr Mühe beim Tippen geben muss* © by Bastiuscha
"Schonmal im Porsche von einer Biertheke überholt worden? Dann war es wohl ein 190 2.5-16 Evo II"
Mini Titan E325SE Helifleet.com
Raptor E600 KM-SE Helifleet.com