9V Wechselspannung in 3V bzw. 9V Gleichspannung
#16
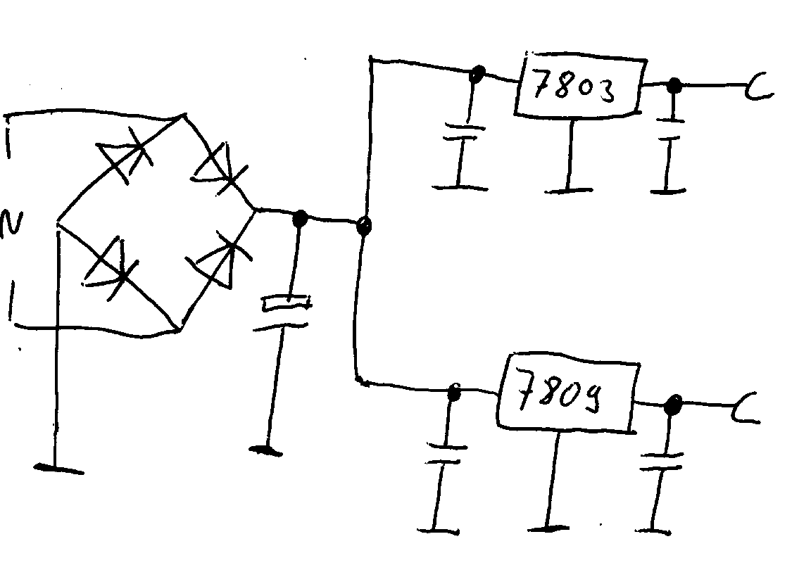
Siehe Schaltplan! 
- Dateianhänge
-
- Schaltung.gif (12.1 KiB) 996 mal betrachtet
*
http://barnie.homeip.net --- http://www.rudi-hubi.de.vu
EVO 9 incl. Synthi und Scanner - Pic-Clone (FWT) - TREX in Standard mausgrau mit SS23 - diverse Flächenmodelle
http://barnie.homeip.net --- http://www.rudi-hubi.de.vu
EVO 9 incl. Synthi und Scanner - Pic-Clone (FWT) - TREX in Standard mausgrau mit SS23 - diverse Flächenmodelle
#17
Ich glaube, ich bin zu blöd dafür...
Ich finde weder bei Conrad noch bei ELV die Bauteile die ich brauche!
Rudi, würdest du mir die Bestellnummern nennen? Dafür geb ich dir beim nächsten Treffen auch einen aus...
Ich finde weder bei Conrad noch bei ELV die Bauteile die ich brauche!
Rudi, würdest du mir die Bestellnummern nennen? Dafür geb ich dir beim nächsten Treffen auch einen aus...
Verkaufe: Robbe RS232-Box - Interfacekabel
In a perfect world Spammers would get caught, go to jail, and share a cell with many men who have enlarged their penisses, taken Viagra and are looking for a new relationship.
In a perfect world Spammers would get caught, go to jail, and share a cell with many men who have enlarged their penisses, taken Viagra and are looking for a new relationship.
#18
Hier die aktiven Bauelemente:
9V Regler: 179191-14
3V Regler: 147010-14
Nimm einen fertigen Brückengleichrichter: 501379-14
Kondensatoren musst du dir selbst suchen
- sonst ist es zu einfach
Sieh dir die Beschaltungspläne der Regler an, dann siehst du welche kleinen Kondensatoren du brauchst... Wenn's nicht auf Größe und Gewicht ankommt, nimm einen großen Siebelko: >=1000µF
RUDI
9V Regler: 179191-14
3V Regler: 147010-14
Nimm einen fertigen Brückengleichrichter: 501379-14
Kondensatoren musst du dir selbst suchen
RUDI
*
http://barnie.homeip.net --- http://www.rudi-hubi.de.vu
EVO 9 incl. Synthi und Scanner - Pic-Clone (FWT) - TREX in Standard mausgrau mit SS23 - diverse Flächenmodelle
http://barnie.homeip.net --- http://www.rudi-hubi.de.vu
EVO 9 incl. Synthi und Scanner - Pic-Clone (FWT) - TREX in Standard mausgrau mit SS23 - diverse Flächenmodelle
#20
ja, die Idee hatte ich auch, nachdem ich den Scan gepostet habe
Danke für den Tipp 
RUDI
RUDI
- Dateianhänge
-
- Schaltung.gif (18.32 KiB) 998 mal betrachtet
Zuletzt geändert von barnie am 05.01.2005 13:44:35, insgesamt 1-mal geändert.
*
http://barnie.homeip.net --- http://www.rudi-hubi.de.vu
EVO 9 incl. Synthi und Scanner - Pic-Clone (FWT) - TREX in Standard mausgrau mit SS23 - diverse Flächenmodelle
http://barnie.homeip.net --- http://www.rudi-hubi.de.vu
EVO 9 incl. Synthi und Scanner - Pic-Clone (FWT) - TREX in Standard mausgrau mit SS23 - diverse Flächenmodelle
#21
Danke Rudi!
Von den fertigen Gleichrichtern brauche ich dann wohl den mit 40V / 0,8A?!?
Ist der Kondensator der richtige: Nr. 457345 - V1
Also brauche ich:
1x Regler 9V: 179191-14
1x Regler 3V: 147010-14
1x Brückengleichrichter: 501379-14
4x Kondensatoren: 457345 - V1
Fehlt dann noch was?
Von den fertigen Gleichrichtern brauche ich dann wohl den mit 40V / 0,8A?!?
Ist der Kondensator der richtige: Nr. 457345 - V1
Also brauche ich:
1x Regler 9V: 179191-14
1x Regler 3V: 147010-14
1x Brückengleichrichter: 501379-14
4x Kondensatoren: 457345 - V1
Fehlt dann noch was?
Verkaufe: Robbe RS232-Box - Interfacekabel
In a perfect world Spammers would get caught, go to jail, and share a cell with many men who have enlarged their penisses, taken Viagra and are looking for a new relationship.
In a perfect world Spammers would get caught, go to jail, and share a cell with many men who have enlarged their penisses, taken Viagra and are looking for a new relationship.
#22
Stimmt die Schaltung dann mit den Best.Nr. so?
Was ist das für ein Bauteil, das nach dem Gleichrichter noch kommt? Das habe ich bis jetzt nicht gefunden!
Muss ich beim Bau auf irgendwas achten? Bestimmte Polung etc?
Was ist das für ein Bauteil, das nach dem Gleichrichter noch kommt? Das habe ich bis jetzt nicht gefunden!
Muss ich beim Bau auf irgendwas achten? Bestimmte Polung etc?
- Dateianhänge
-
- schaltung2.jpg (126.76 KiB) 1000 mal betrachtet
Verkaufe: Robbe RS232-Box - Interfacekabel
In a perfect world Spammers would get caught, go to jail, and share a cell with many men who have enlarged their penisses, taken Viagra and are looking for a new relationship.
In a perfect world Spammers would get caught, go to jail, and share a cell with many men who have enlarged their penisses, taken Viagra and are looking for a new relationship.
- Helicombat
- Beiträge: 453
- Registriert: 21.10.2004 22:58:51
- Wohnort: 32760 Detmold
#23
Hallo Jonas,
das Bauteil ist der Siebelko.
Rudi hatte 1000uF vorgeschlagen.
Die gibt es auch bei Conrad.
Sollte mindestens ein 16 Volt Typ sein.
Besser etwas mehr.
Suchbegriff "Elko".
Der Gleichrichter ist beschriftet.~ ist Netzspannung
bzw Trafospannung.
+ und - ist wohl klar.
Der Siebelko ist auch gekennzeichnet.
Die kleinen Kondensatoren kannst Du einbauen wie Du willst.
Die 78xx haben links/Eingang mitte/Masse und rechts
den Ausgang.
Gruß Torsten
das Bauteil ist der Siebelko.
Rudi hatte 1000uF vorgeschlagen.
Die gibt es auch bei Conrad.
Sollte mindestens ein 16 Volt Typ sein.
Besser etwas mehr.
Suchbegriff "Elko".
Der Gleichrichter ist beschriftet.~ ist Netzspannung
bzw Trafospannung.
+ und - ist wohl klar.
Der Siebelko ist auch gekennzeichnet.
Die kleinen Kondensatoren kannst Du einbauen wie Du willst.
Die 78xx haben links/Eingang mitte/Masse und rechts
den Ausgang.
Gruß Torsten
Zuletzt geändert von Helicombat am 05.01.2005 15:05:29, insgesamt 1-mal geändert.
#24
Der Elko fehlt noch (472557)
Auf dem Gleichrichter steht + und - und ~ drauf, der Elko ist mit + und - gekennzeichnet und bei den Reglern ist links der Eingang, Mitte die Masse und rechts der Ausgang (im Plan von Conrad nochmals prüfen)
Gruß RUDI
Auf dem Gleichrichter steht + und - und ~ drauf, der Elko ist mit + und - gekennzeichnet und bei den Reglern ist links der Eingang, Mitte die Masse und rechts der Ausgang (im Plan von Conrad nochmals prüfen)
Gruß RUDI
*
http://barnie.homeip.net --- http://www.rudi-hubi.de.vu
EVO 9 incl. Synthi und Scanner - Pic-Clone (FWT) - TREX in Standard mausgrau mit SS23 - diverse Flächenmodelle
http://barnie.homeip.net --- http://www.rudi-hubi.de.vu
EVO 9 incl. Synthi und Scanner - Pic-Clone (FWT) - TREX in Standard mausgrau mit SS23 - diverse Flächenmodelle
#25
OK!
Ich werde dann den nehmen: 468118 - V1
Ist ein 35 volt Typ!
Vielen Dank an euch! Jetzt wird hoffentlich alles funktionieren!
Ich werde dann den nehmen: 468118 - V1
Ist ein 35 volt Typ!
Vielen Dank an euch! Jetzt wird hoffentlich alles funktionieren!
Verkaufe: Robbe RS232-Box - Interfacekabel
In a perfect world Spammers would get caught, go to jail, and share a cell with many men who have enlarged their penisses, taken Viagra and are looking for a new relationship.
In a perfect world Spammers would get caught, go to jail, and share a cell with many men who have enlarged their penisses, taken Viagra and are looking for a new relationship.
#26
Hoffe wir sehen auch das Endprodukt 
Gruß
Richard
Gruß
Richard
derzeit: Sim
______________________________________________________
My Home http://www.reverbnation.com/bbmmp
"Aufgeben gibts nicht..."
".....oft findet man den Sieg in der Niederlage......
______________________________________________________
My Home http://www.reverbnation.com/bbmmp
"Aufgeben gibts nicht..."
#27
Wenns schön aussieht, klar!
Damit ihr wisst, um was es überhaupt geht:
Wir wollen bei uns im Haus, da ein Kabel der alten Klingel irgendwo kaputt gegangen ist, die Klingel auf Funk umrüsten! Dazu brauche ich aber eben Gleichspannung mit 3 bzw. 9 Volt...
Damit ihr wisst, um was es überhaupt geht:
Wir wollen bei uns im Haus, da ein Kabel der alten Klingel irgendwo kaputt gegangen ist, die Klingel auf Funk umrüsten! Dazu brauche ich aber eben Gleichspannung mit 3 bzw. 9 Volt...
Verkaufe: Robbe RS232-Box - Interfacekabel
In a perfect world Spammers would get caught, go to jail, and share a cell with many men who have enlarged their penisses, taken Viagra and are looking for a new relationship.
In a perfect world Spammers would get caught, go to jail, and share a cell with many men who have enlarged their penisses, taken Viagra and are looking for a new relationship.
#28
nix für ungut!Jonas hat geschrieben:Wir wollen bei uns im Haus, da ein Kabel der alten Klingel irgendwo kaputt gegangen ist, die Klingel auf Funk umrüsten! Dazu brauche ich aber eben Gleichspannung mit 3 bzw. 9 Volt...
aber ich frage mich, ob es nicht einfacher wäre das Kabel auszutauschen.
Da du jetzt eh schon ein Kabel vom Klingelknopf zum Spannungsregler und dann ein weiteres Kabel vom spannungsregler zur Klingel, verlegst
kannst du dir das Geld für die Funkklingel auch sparen.
Gruss Wicky
So Long, and Thanks For All the Fish
#29
Hi Wicky!
So einfach ist das leider nicht!
Wir haben eine Klingel im Flur und eine in der Küche!
Die in der Küche ist kaputt, bzw. das Kabel dahin! Das auszutauschen wird verdammt schwierig, wenn nicht sogar unmöglich!
Und dann rüsten wir halt gleich auf Funk um!
Und so teuer ist das auch nicht!
12€ für den Sender und ca. 20 für den Gong, den ich dann zwei Mal brauche...
Und das basteln daran macht ja auch Spaß!
So einfach ist das leider nicht!
Wir haben eine Klingel im Flur und eine in der Küche!
Die in der Küche ist kaputt, bzw. das Kabel dahin! Das auszutauschen wird verdammt schwierig, wenn nicht sogar unmöglich!
Und dann rüsten wir halt gleich auf Funk um!
Und so teuer ist das auch nicht!
12€ für den Sender und ca. 20 für den Gong, den ich dann zwei Mal brauche...
Und das basteln daran macht ja auch Spaß!
Verkaufe: Robbe RS232-Box - Interfacekabel
In a perfect world Spammers would get caught, go to jail, and share a cell with many men who have enlarged their penisses, taken Viagra and are looking for a new relationship.
In a perfect world Spammers would get caught, go to jail, and share a cell with many men who have enlarged their penisses, taken Viagra and are looking for a new relationship.