Schalterkabel fuer ext. Bec verlaengern?

Antworten
Benutzeravatar
blogga
Beiträge: 560
Registriert: 11.05.2008 16:17:37
Wohnort: Flensburg

#1 Schalterkabel fuer ext. Bec verlaengern?

Beitrag von blogga »

Hallo Leute,

ich wuerde gern den Stuetzakku allpolig mit einem Schalter vom Bec trennen. Das Bec hat zwar einen Schalter, jedoch leuchten ausgeschaltet trotzdem staendig die 4 LEDs der 'Fuellstandsanzeige' :/ Ich wollte den Akku verbaut lassen, und nicht immer trennen muessen.

Dazu wuerde ich den vorhandenen Schalter vom Bec entfernen und 4 Adern a ca. 40cm zum neuen Schalter zwischen Akku und Bec fuehren. Querschnitt und der neue 2xAUS Schalter sind ausreichend dimensioniert.

Waere die Kabellaenge ein Problem?

Danke....
Gruesse...
---
blogga

'Der fruehe Vogel kann mich mal!'
fireball

#2 Re: Schalterkabel fuer ext. Bec verlaengern?

Beitrag von fireball »

Seh ich kein Problem... Vorsichtshalber nen Schiebeschalter benutzen würde ich vorschlagen - nicht, dass ein Kipphebel wegen zu viel G beim 3D-Zappeln umschlägt ;)
Benutzeravatar
frankyfly
Beiträge: 12239
Registriert: 09.07.2006 20:47:03

#3 Re: Schalterkabel fuer ext. Bec verlaengern?

Beitrag von frankyfly »

Meiner Meinung nach haben rein mech. Schalter im Modell nichts verloren! wenn Schalter dann einen "FET-Schalter" !
fireball

#4 Re: Schalterkabel fuer ext. Bec verlaengern?

Beitrag von fireball »

Der verbraucht aber immer Strom und ist dem Ziel nicht dienlich.
Benutzeravatar
frankyfly
Beiträge: 12239
Registriert: 09.07.2006 20:47:03

#5 Re: Schalterkabel fuer ext. Bec verlaengern?

Beitrag von frankyfly »

Naja, allpolig Trennen tut er nicht (warum auch ???)
Strom sollte nicht so wild sein, evtl ein paar µA und das fällt nicht wirklich ins Gewicht, selbst wenn man nur alle paar Monate fliegen geht, muss ich mal durchrechnen.
tazmandevil
Beiträge: 696
Registriert: 23.07.2009 01:29:19

#6 Re: Schalterkabel fuer ext. Bec verlaengern?

Beitrag von tazmandevil »

fireball hat geschrieben:Seh ich kein Problem... Vorsichtshalber nen Schiebeschalter benutzen würde ich vorschlagen - nicht, dass ein Kipphebel wegen zu viel G beim 3D-Zappeln umschlägt ;)
Kann dir dann bei einerm Schiebeschalter auch passieren. Ich würde aber auch von Hardwareschaltern abraten. Haben da wirklich nix zu suchen. Alleine schon wegen eventuellen Vibrationen
Benutzeravatar
blogga
Beiträge: 560
Registriert: 11.05.2008 16:17:37
Wohnort: Flensburg

#7 Re: Schalterkabel fuer ext. Bec verlaengern?

Beitrag von blogga »

hmm Danke fuer Input...
Also vom 3D-Gezappel bin ich in etwa noch so weit weg wie Jesus von der Auferstehung... (Wer weiss, vielleicht passiert irgendwann ja mal ein Wunder..)

Sollte der Schalter im Flug wirklich ausgehen, waers echt mal ein Unheil, ich kann mir das nicht wirklich vorstellen, die Wippe geht schon recht schwer.

Fuer die FlugAkkus hab ich nen SPS drinn (Also nicht 'ich') :], mir gings nur um EmpfaengerAkku. Mir ist irgendwie nicht wohl dabei, dass die LEDs die ganze Zeit funzeln. Muesste mal messen, was da verbraeht, aber der Gedanke dass der Akku da irgendwann so vor sich hin leerlutscht gefaellt mir nicht...

Gruesse...
Gruesse...
---
blogga

'Der fruehe Vogel kann mich mal!'
Benutzeravatar
frankyfly
Beiträge: 12239
Registriert: 09.07.2006 20:47:03

#8 Re: Schalterkabel fuer ext. Bec verlaengern?

Beitrag von frankyfly »

blogga hat geschrieben:Sollte der Schalter im Flug wirklich ausgehen, waers echt mal ein Unheil
Ausgehen so in Form von "von alleine ausgeschaltet" eher nicht, aber das sich das Innenleben auf Grund von feinsten Vibrationen zerlegt hat weil irgendein Metallteil gebrochen ist, oder einfach der Kontakt weg war weil sich irgendwelcher Schmutz im Schalter angesammelt hat, das Ist schon wohl schon öfters vorgekommen.

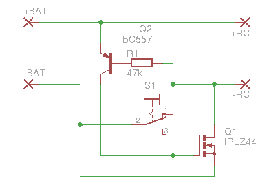
btw. wer Lust hat zu Löten:
FET-Schalter<br />Schaltung ist Simuliert, aber von mir noch nicht real getestet, deswegen Nachbau auf eigene Gefahr und bitte vorher am Boden testen!
FET-Schalter
Schaltung ist Simuliert, aber von mir noch nicht real getestet, deswegen Nachbau auf eigene Gefahr und bitte vorher am Boden testen!
Schaltplan.png (3.24 KiB) 383 mal betrachtet
Benutzeravatar
blogga
Beiträge: 560
Registriert: 11.05.2008 16:17:37
Wohnort: Flensburg

#9 Re: Schalterkabel fuer ext. Bec verlaengern?

Beitrag von blogga »

hui..
Jetzt draengt sich mir die Frage auf, was denn in der Schaltung S1 schuetzt :]
Und wenn der Schalter wie auf dem Bild geschlossen ist, wozu dann der FET?
Oder versteh ich da irgendwas nicht?
Gruesse...
---
blogga

'Der fruehe Vogel kann mich mal!'
Benutzeravatar
frankyfly
Beiträge: 12239
Registriert: 09.07.2006 20:47:03

#10 Re: Schalterkabel fuer ext. Bec verlaengern?

Beitrag von frankyfly »

ist eigentlich ganz einfach.

Grundstellung : Der Schlalter ist aus (2 nach 3 Verbunden)

Jetzt schaltet man ihn ein, dadurch wird natürlich erst mal -Bat nach -rc geschaltet, aber dadurch wird auch die Basis von Q2 auf minus gelegt wodurch Q2 durchschaltet, das wiederum legt den Gate anschluss von Q1 auf + und lässt ihn ebenfalls durchschalten.
Das bringt natürlich auf den ersten Blick nichts weil ja der Schalter schon -Bat und -rc verbunden hat, aber was passiert jetzt wenn der Schlater durch einen Defekt den Strom nicht mehr leiten kann?
Dann übernimmt Q1 den Strom, weil er sich zusammen mit Q2 in Selbsthaltung befindet.

die einzige Möglichkeit die Beiden aus zu schalten ist es das Gate von Q1 auf -Bat zu ziehen, man muss also extra was unternehmen um den Schalter aus zu bekommen, ein einfacher Defekt des Schalters reicht nicht aus.

(ich kann das ganze auch mal mit Relais zeichnen, fällt den meisten Leuten einfacher das dann nachzuvollziehen)
Zuletzt geändert von frankyfly am 10.09.2010 23:32:11, insgesamt 1-mal geändert.
Benutzeravatar
blogga
Beiträge: 560
Registriert: 11.05.2008 16:17:37
Wohnort: Flensburg

#11 Re: Schalterkabel fuer ext. Bec verlaengern?

Beitrag von blogga »

danköööööö :)
Alle Klarheiten sind beseitigt...
Nein im Ernst, vielen Dank..
Gruesse...
---
blogga

'Der fruehe Vogel kann mich mal!'
Antworten

Zurück zu „Elektro-Steller/Regler“